
车型:配置1.8L TSI发动机。
行驶里程:32333km。
故障现象:ABS、ESP故障灯亮。
故障诊断:用VAS5052A检查,ABS控制单元中存储有故障码(如图1所示):00301,ABS回流泵V39(静态)。

维修人员分析ABS回流泵V39是在ABS泵内部(说明此车型ABS泵与控制单元组合在一起)。
据故障码分析能够造成此故障的原因有两点:ABS泵故障及ABS泵供电搭铁线路故障。

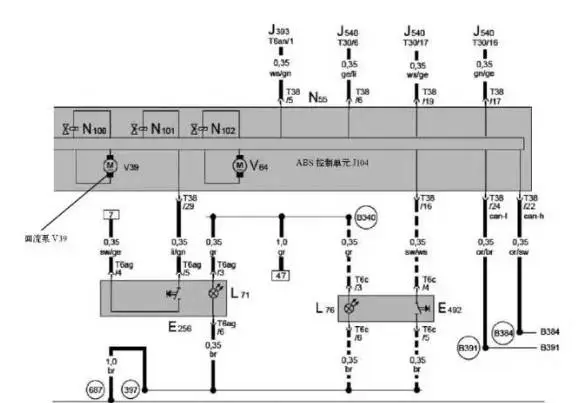
根据电路图(如图 2 、图 3 所示)对ABS泵供电线路进行测量。

拆下ABS泵插头,使用万用表测量T38/1与搭铁之间的电压为12.6V,测量 T 3 8 / 2 5 与搭铁之间的电压为 1 2 . 6 V ,测量 T 3 8 / 1 5 的电压为12.6V,测量T38/14与搭铁之间的电压为12.5V(此条线路在点火开关打开的状态下测量),以上测量的供电线路供电电压正常(标准值为蓄电池电压,不低于12V)。
接着测量搭铁线路,测量T38/13与蓄电池正极供电之间的电压为12.6V,测量T38/38与蓄电池正极供电之间的电压为12.6V。用万用表测量T38/13与发动机舱内右侧搭铁点之间的电阻为0.3Ω(标准值为小于1.5Ω),测量T38/38与发动机舱内右侧搭铁点之间的电阻为0.3Ω(标准值为小于1.5Ω),说明搭铁线路良好。
为了防止有搭铁不良现象,再次拆下发动机舱内右侧搭铁点接线柱螺栓,确认搭铁良好后重新装复。
通过以上的检查可将故障点锁定在ABS泵总成内部。于是更换了ABS泵。更换完毕后,对ABS控制单元进行了编码,并对转向角度传感器G85等功能进行了基本设定,但故障依然存在。
重新查阅电路图,再次对该故障进行分析,而分析结果依然将故障范围锁定在ABS泵及ABS泵供电搭铁线路。通过以上的供电搭铁线路检查,说明供电搭铁线路正常,而ABS泵是新更换的原厂配件,出现问题的可能性也非常小,此时对于该故障的诊断排除陷入了迷雾阶段。使用专用诊断仪VAS5052A的“引导性故障查询”功能进行检查,希望能够通过故障引导来理清思路。引导结果依然是先检查供电搭铁线路,当确认检查供电搭铁线路正常时,更换ABS泵。当维修人员退出诊断仪时发现仪表上的
ABS、ESP故障灯熄灭,于是维修人员再次对该车进行了路试,发现当急踩制动踏板且ABS工作的同时,仪表上的ABS、ESP故障灯就会点亮,用诊断仪检查故障码依旧是00301。关闭点火开关再次打开后,用诊断仪VAS5052A检查,故障码变为偶发,并且可以清除。当再次试车后依然是当急踩制动踏板且ABS工作的同时,仪表上的ABS、ESP故障灯就会点亮。
分析认为,如果是回流泵 V39 本身短路或断路故障,在点火开关打开时,ABS 控制单元的自检功能能够检测出来。在 ABS 工作的同时 , 回流泵 V39 工作,而此时需要的工作电流增大,故障码出现,说明故障出现在回流泵 V39 的供电搭铁线路上。根据电路图分析为 ABS 泵外部供电搭铁线路或内部供电搭铁线路有接触不良现象,此时的结果与以上故障码分析完全重合在一起。此时维修人员意识到以上用万用表检查线路时,不能够检查出存在接触不良故障,决定加负载检查供电。本着由易到难的检查方法,先检查供电保险丝,当检查到 SA8 保险丝的连接时,发现固定螺母 A 未紧固(如图 4 所示)。拆下 SA8 保险丝检查,保险背面有因接触不实造成的烧蚀现象。

故障排除:处理此烧蚀点,重新安装紧固SA8保险丝,试车,故障排除。
故障总结:此车故障是由于没有正确了解故障发生状态,在“诊”的环节不够仔细,导致故障分析不彻底,在“断”的环节出现错误。在检查供电及搭铁时一定要加负载测量,以免出现上述检查失误。